ST-Servo技術製品
モーションコントロール.comの製品情報は、クローズドループステッピングサーボシステムのST-Servoシリーズになります。また、各種カスタマイズ対応を致します。
<ST-Servo シリーズ> | <2相ステッピングモータ用 マイクロステップドライバ> |
<DCサーボドライバ> | ||
クローズドループステッピングサーボシステム - ST-Servo CBX28

ST-Servo CBX28
高分解能な磁気式エンコーダを採用したクローズドループステッピングサーボシステムです。ステッピングモータながら低発熱、省エネルギー、低振動を実現。
サーボモータ同様に位置制御、速度制御、トルク制御、押し当て制御ができ、低速域での高トルク・回転安定性に優れます。
RS485通信はRTUとASCIIに対応。コントローラ機能も内蔵しているため、PC単独での制御も可能です。
特徴
ドライバ+コントローラ内蔵!機電一体設計より配線施工や制御盤費用を削減
モータ・エンコーダケーブルは専用線であるため、設計時点での長さ検討は大変です。
実機で合わせやすい電源・IO・通信ケーブルのみとすることで、組立後の「やっちまった!」が減ります。
上位制御系と通信制御なら電源とRS485の通信ケーブルの接続だけで、サーボモータ制御を追加できます。
位置や速度制御が必要な場合でも納入済みの装置改造や既存ユニットへ簡単にオプション対応が可能です。
特徴1クローズドループ型ステッピングシステム
当社コア技術であるサーボ制御技術でエンコーダ付ステッピングモータをクローズドループ制御する事で、ステッピングモータの決定である脱調、乱調、共振、騒音現象を大幅抑制。これまでのステッピングモータの領域を超えるクローズドループ型ステッピングシステム。
高額なACサーボドライバと同じように、位置制御、速度制御、トルク制御、押し当て制御(位置、速度)が可能。
一般的なオープンループ型ステッピングシステム

弊社 クローズドループ型ステッピングシステム

特徴2小型ユニットの制御をより簡単に
MODBUS Protocolにより通信による制御が可能です。
伝送モードにはRTUモードとASCIIモードを用意。
PLCを必要とせず、PCのみでモータを制御することも可能です。
試作機や展示会用のデモ機、卓上装置などであれば、PCだけあればユニットの制御が可能。
PLCを無くすことで、機能追加や修正作業でラダーとPCソフトの2つを扱う手間を削減できます。

一般的な装置構成

ST-Servoによる装置構成例
特徴3PCレスの展示会用デモ機が可能!:簡単な動作は内部プログラムのみで対応
これまでのST-Servoシリーズでも好評だったプログラム運転機能をアップグレード。
ステップ数が256STEPとCMBシリーズの8倍に増量。
プログラムのコマンドも拡充。
これまでのシリーズではできなかった条件分岐や繰り返し回数機能を追加。
PCやPLCが無いと実現できなかった動きにも対応。
IO信号との組み合わせにより、電源とスイッチだけで複雑な動作も実現できます!
特徴4ステッピングモータなのに繊細な押し当て制御が可能
ST-Servoの独自制御技術により、なめらかなトルク制御を実現。
ステッピングモータ特有のコツコツがありません。
触ってみると「これはもうサーボ!」と唸るお客様多数です。
形状が変化する柔らかい物体に対してもモータにかかる力に対応したトルクを制御することで安定して押し付ける動作が可能です。
トルク変動に弱い搬送物や力を入れすぎると壊れてしまうものに最適な力で対応します。
特徴5究極の省エネ制御で発熱を極限まで抑える制御を実現
ST-Servoの独自制御技術により、必要最小限の電力で動きを制御。
装置の電力のほとんどは駆動系が消費しているため、モータの消費電力削減は装置の省エネへの貢献が大きいです。
さらに余計な電力を使わないため、熱ロスの発生が抑えられます。
熱の影響を嫌う精密位置決めユニットはもちろん、実験や検査への影響が懸念される医薬・バイオ系向けです。
特徴6多彩な制御インターフェース
上位システムと接続する、多彩な制御インターフェースを搭載
製品 | パルス列指令 | I/O | RS-485 | USBポート |
---|---|---|---|---|
ST-Servo CBX | ◯ | ◯ | ◯ | △(※) |
ST-Servo CMB | × | ◯ | ◯ | △(※) |
ST-Servo SPL | ◯ | ◯ | ◯ | △(※) |
ST-Servo BSL | ◯ | ◯ | × | ◯ |
※ オプション変換器で接続可能
仕様
項目 | 仕様 | 備考 |
---|---|---|
型式 | ST-Servo CBX28 | |
電源電圧 | 24V±10% | |
電源電流 | 1A以上 | |
適合モータ | エンコーダー付き2相バイポーラステッピングモータ | |
駆動方式 | バイポーラ定電流チョッパー方式 | |
PWM 周波数 | 20KHz | |
制御モード | 位置制御・速度制御・トルク制御・押し当て制御 (位置・速度) | |
指令最大入力周波数 | 200Kpps | オープンコレクタ又はTTL駆動 |
外部パルス指令入力 | 2パルス、1パルス、2相パルス | パラメータにより選択 |
速度制御・トルク制御での制御比 | 350:1 | フルスケールに対する比率 |
入力信号 5点 (非絶縁) | IN1~IN5 | パラメータにより機能割り付け |
出力信号 2点 (非絶縁) | OUT1~OUT2 | パラメータにより機能割り付け |
通信回線 | RS485 二線式半二重通信 | 終端抵抗はパラメータ設定でON/OFF |
通信プロトコル | MODBUS | ASCII/RTUは自動認識 |
最大接続数 | 255台 | ノードアドレスは1~255まで設定可能 |
アラーム機能 | ・フルトルク ・位置偏差異常(フルカウント) ・電源電圧異常 ・過電流 ・その他 |
ALM LEDの点滅回数で内容を判断 |
表示機能 | ・PWE:電源 ・ALM:アラーム |
2色発光LED |
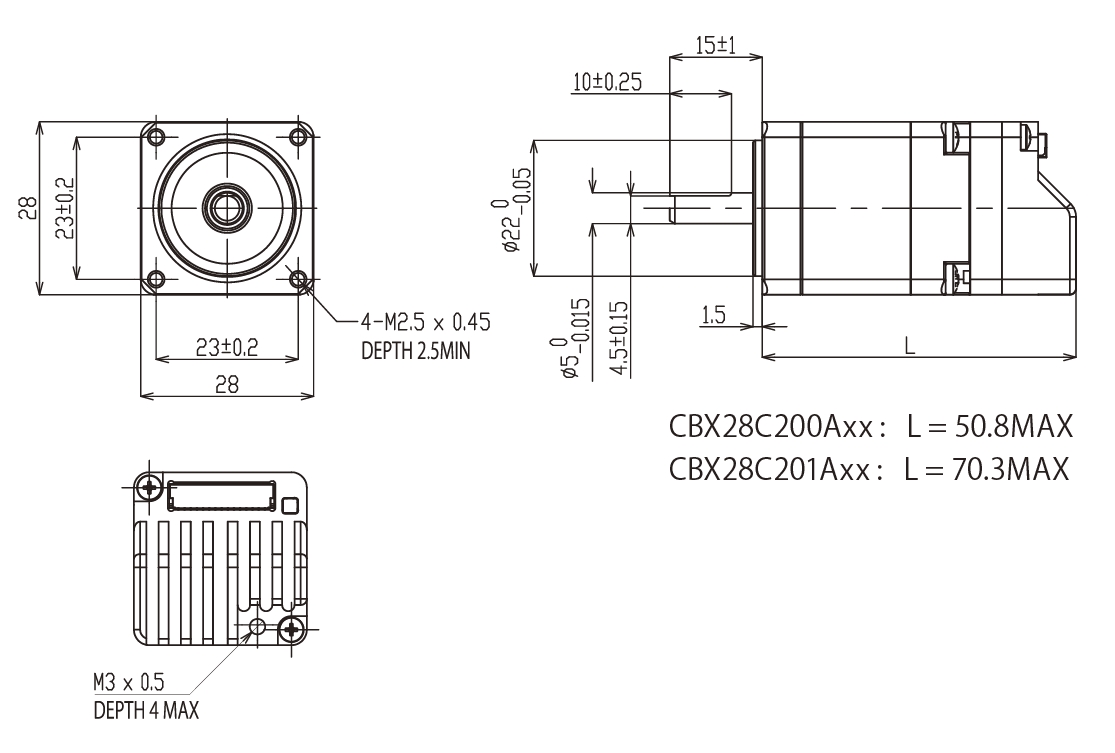
外形寸法 | モータ種別による | 下記「外形図」参照 |
重量 | CBX28C200AAA(ショート):140g CBX28C200AAA(ロング):230g |
|
動作温度・湿度 | 0~40℃、35~80℃ | 結露なきこと |
保存温度・湿度 | -20~85℃、30~80℃ | 結露なきこと |
海外企画 | CEマーキング | 取得準備中 |
外形図

モータトルク特性
